Ga door naar hoofdinhoud
Word lid van de reparatiegemeenschap - Account aanmaken

Inhoudsopgave

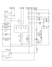
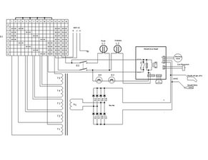
No Schematics available for this device so I made some up including a PCB mask in case anyone needs to make the control board PCB

Image of assembled circuit board:

Block Image

Power resistance:

Block Image

Transformer:

Block Image

Most of time the relay for the wire feeder breaks (5A type):

Block Image

It's on this place:

Block Image

You can replace it with following relay (8A type):

"Printrelais 24V DC | 2 Wechsler | RT424024 Steckrelais | 24 VDC | 24V"

Block Image

It can be found at a German store (SCHRACK).

Pen Carruthers

Lid sinds: 02/21/16

1 Reputatie

0 handleidingen geschreven

Weergavestatistieken:

Afgelopen 24 uren: 7

Afgelopen 7 dagen: 50

Afgelopen 30 dagen: 195

Altijd: 5,028